Проект временного электроснабжения строительной площадки
Ни одну инженерную систему, отвечающую за стабильное энергоснабжение какого-либо объекта или строительной площадки, нельзя вводить в эксплуатацию, полагаясь на «авось». Это правило актуально для любых случаев: и когда в строй вводится новый жилой объект, и когда организуется временное электроснабжение строительной площадки на участке, отведенном под будущую застройку. Наряду с этим начинать строительство объекта на территории, не подключенной к централизованной системе энергоснабжения, в настоящее время тоже не принято.
Учитывая все вышеперечисленное, в перечень задач, стоящих перед застройщиком, планирующим в ближайшее время приступить к строительным работам на своем участке, добавляется еще два вопроса первоочередной важности:
- Первый вопрос заключается в необходимости получения разрешений на электрификацию строительного объекта.
- Второй – в необходимости разработать и согласовать проект временного электроснабжения строительной площадки, который понадобится для обеспечения строительного объекта достаточным объемом электрической мощности.
Роль временного электроснабжения при строительстве современных объектов
Для чего же необходимо электричество на строительной площадке? На самом деле задач, которые решаются на строительном объекте с помощью электричества, существует великое множество:
- освещение территории строительного объекта в темное время суток;
- обеспечение электричеством основного и вспомогательного электрооборудования (подъемные механизмы, дрели, бетономешалки и т. д.);
- отопление строительных бытовок и многое другое.
Если говорить более обобщенно, то проектирование систем электроснабжения строительных площадок нацелено на то, чтобы сделать строительную площадку более функциональной и полностью независимой от автономных источников электроснабжения (дизельные генераторы, сварочные генераторы и так далее).
Установить на строительном объекте энергопринимающее оборудование, в принципе, не сложно. Гораздо сложнее получить необходимые разрешения и уладить многочисленные формальности, связанные с разработкой и оформлением документации. Во-первых, представитель застройщика (или сам застройщик) должен определить объем электрической мощности, в которой буден нуждаться его объект на период строительства. Во-вторых, заказчик должен посетить ближайшее представительство местной электросетевой компании, в котором ему выдадут разрешение на временное электроснабжение и разработают технические условия.
В технических условиях прописываются требования, соблюдение которых должен обеспечить заказчик перед выполнением технического присоединения. Также в технических условиях содержится информация, которую в своей деятельности используют проектировщики, занимающиеся разработкой проекта на временное электроснабжение объекта. От требований, прописанных в технических условиях, напрямую зависит устройство временного электроснабжения, а также особенности установки энергопринимающего оборудования. Без технических условий к проектированию системы профильные специалисты не приступают, в принципе.
Особенности электропроекта
В проектной документации на временную систему энергоснабжения содержатся сведения о суммарной потребляемой мощности, о рабочих характеристиках энергопринимающего и распределительного оборудования, а также технологические рекомендации по его установке. Также электрические схемы содержат подробные сведения о точке присоединения, о системах защиты и о рабочих характеристиках защитного оборудования.
Эта информация имеет первостепенное значение для построения максимально безопасной электроустановки. А обеспечение безопасности – это ключевая задача и электромонтажников, и проектировщиков. В этой связи проектирование сетей электроснабжения для строительных площадок должны выполнять исключительно профильные специалисты, имеющие соответствующие разрешения.
Особенности подключения к существующим электросетям
Первая ситуация, которую мы рассмотрим — строительство производится в непосредственной близости от собственного жилья. Способ электрификации от уже зарегистрированного ввода считается менее затратным и более предпочтительным. На время производства строительных работ расходуется электроэнергия, которая уже присутствует на объекте и оплата за нее происходит согласно заключенному ранее договору. Этот вариант подойдет для временного электроснабжения частного дома.
После возведения нового объекта и, возможно, демонтажа старых построек, возникнет необходимость переоформления договора со снабжающей организацией.
Для этого нужно:
- Указать расчетную потребляемую мощность.
- У организации получить технические условия и точку подключения для ввода.
- Заказать проектную документацию.
- Проект согласовать с гостехнадзором.
- Выполнить электромонтажные работы.
- Вызвать электролабораторию для оценки и составления акта испытания.
- Заключить договор с энергосбытом, сдать в эксплуатацию объект.
Все документы предоставлены на фото:

Учтите, для того, чтобы сделать временную электропроводку, также потребуется оформить этот пакет документов.
В тех случаях, когда строительная площадка находится вдали от линий электропередач, потребуется строительство новой ВЛ (или прокладка кабеля). Для этого нужно обратится в электросетевую организацию и написать заявление на технологическое подключение, после чего вам должны выдать ТУ. После оформления документов вы должны выполнить условия ТУ и повторно обратится в сетевую организацию, для подключения щита на трубостойке и пломбировки приборов учета. Подробнее о подключении рассказано в видеоролике:
Ввод на объекте нужно делать, как для постоянной эксплуатации. Для этого нужно установить щиток наружного антивандального исполнения с классом защиты IP54. Ящик устанавливают таких габаритов, чтобы была возможность установки счетчика и аппаратов защиты, розеток и шин заземления. Также нужно предусмотреть место для резервного электроснабжения.

При строительстве в пределах некоммерческого товарищества стоимость услуг для коллективных подключений обходится значительно дешевле дачным, садоводческим и гаражным кооперативам. У них имеется трансформаторная подстанция, к которой есть возможность подключиться. Многие коллективы уже устоялись и сформировались. Ремонт и модернизация оборудования производилась за их счет, установка опор, трансформаторов, прокладка ВЛ. Вновь появившимся застройщикам могут предъявить денежную компенсацию от уже проведенных работ и проведенной модернизации части оборудования.
Еще одну ситуацию, которую хотелось бы рассмотреть — временное электроснабжение частного дома от соседей. Если от независящих от вас причин электрификация отлаживается, а сроки поджимают, то стоит договориться с соседями. Если такой добрый человек нашелся, через дополнительный прибор учета происходит подключение электроснабжения на период ремонта и стройки. Заранее оговаривается величина отпускаемой мощности (контроль по прибору учета) и установка защитного ограничительного устройства. Таким способом легче всего сделать временную проводку на участок.
Кстати, немного хотелось бы отойти от темы и предложить вам ознакомиться со способами временного электроснабжения квартиры. Узнайте, что можно сделать, если отключили свет в квартире за неуплату.
Отдельно нужно рассмотреть такой способ снабжения электричеством, как подключение электрогенератора. С технической точки зрения генераторные установки обеспечивают качественную электроэнергию. Строители используют их по своему усмотрению и ни от кого не зависят. Недостаток — это высокая стоимость произведенной электроэнергии. К такому виду снабжения в основном прибегают в начале строительства, когда со временным снабжением произошла заминка на этапе оформления документов.
Организация строительства.
Объем работ предлагается выполнить в три этапа:
1.Подготовительный.
2.Строительная часть.
3.Монтажная часть.
В подготовительный этап работ входит, расчистка трассы, разбивка углов поворота. В этом этапе должен быть решен вопрос о доставке материалов на трассу.
В строительную часть входит сверление котлованов под опоры, установка железобетонных опор, устройство заземления опор и КТПН, устройство фундамента под КТПН, установка стоек ограждения КТПН.
В монтажную часть входит монтаж кабеля и проводов, металлоконструкций, разъединителей, КТПН, проверка и включение кабельной ЛЭП и КТПН в эксплуатацию.



Поделиться
|
3 |
||
|
Помощь сайтуСбербанк 4817760077401861 Спасибо за помощь! |
Точка подключения электроэнергии: особенности обслуживания стройплощадок
Благодаря коллективному подключению к коммунальным, дачным, гаражным или другим хозяйствам стоимость работ может обойтись дешевле. На этих территориях уже есть собственная ТП, и теоретически есть возможность присоединиться к ней.
Если вопросы оформления документов для временного подключения затягиваются, а монтаж здания срочно необходимо начинать, то попробуйте договориться с соседями, на присоединении у которых имеются излишки мощности. Если они дают согласие, то через дополнительно установленный счетчик и электрощит можно подключить свою розетку кинуть от нее временную проводку. Предварительно необходимо оговорить величину допустимой мощности, которая контролируется счетчиком. Для исключения перегрузок у соседа желательно установить защитные ограничительные устройства. Данное подключение будет выгодно тому, кто планирует строиться. А вот у тех, кто согласится раздавать электричество, могут возникнуть конфликтные ситуации с работниками энергонадзора. В связи с этим, необходимо постараться узаконить ваше подключение.
Итак, делаем вывод. Существует три варианта временного обеспечения стройплощадки электроэнергией:
- Генераторные установки для строительных площадок;
- Официальная временная линия;
- Неофициальная линия от соседа.
С точки зрения специалистов, наиболее быстрым и малозатратным считается обеспечение электроэнергии с помощью генераторных установок, но в этом случае необходимо правильно рассчитать необходимую для работы мощность установки. Возможно, что переносной генератор, как устройство с ограниченными возможностями, и не выдаст вам необходимое напряжение.
Временное проведение электричества на участок
Временное подключение электричества на участок
Подводка временного электроснабжения на участок связана с рядом организационных моментов. Подключение осуществляется к уже существующим магистралям. В зависимости от местоположения участка подбирается наилучший способ временного электроснабжения. Выбор зависит от следующих критериев:
- дальность ближайшей линии электропередач;
- вид объекта;
- необходимая мощность;
- вид сети.
В случае подсоединения к действующей электросети следует обратиться в энергосбытовую организацию, чтобы выяснить порядок подключения и другие условия. Для автономного генератора запрашивать разрешение не требуется. Сколько будет стоить вся работа по временному энергоснабжению и сколько потребуется времени, зависит от выбранной схемы.
Электробезопасность и меры предосторожности
Согласно требованиям ПУЭ (7 издание), электрооборудование классифицируется безопасным напряжением, которое не превышает 50 вольт переменного тока и 120 – постоянного. Для устройств, которые находятся снаружи и в зоне опасности, подается низкое напряжение (для внешних установок – 12 вольт при постоянном токе и 30 – при переменном.
Нормы проектирования электроустановок на строительных объектах и подобных им подразумевают обеспечение уровня безопасного напряжения (БН) в 25/60 вольт (постоянный/переменный) при условии применения на данных установках «автоматов» отключения электропитания в качестве защиты, то время отключения должно соответствовать нормам ПУЭ (табл. 1.7.11 главы 1.7).
Чтобы обеспечить повышенную защиту электросети с током до 32 ампер, при подключении электричества используются УЗО с выключателем напряжением до 30мА. Также элементы управления – автоматы выключения, УЗО, пусковые устройства, контакторы и т.п. должны обеспечивать отключение всех фазных и нейтральных проводников.
Типы подключения линий питания к низковольтной комплектной установке строительного объекта:
-
через штепсели;
-
непосредственно к распределителю;
-
при помощи вводного устройства (шкаф зажимов).
Питающая сеть низковольтных устройств вводит и распределяет электричество на объекте тремя фазами с переменным током с глухозаземленной нейтралью с силой тока 380/220 и частотой 50 герц и однофазной системой с переменным током на 220 вольт, с максимальным потреблением 63 А.
Существуют такие типы низковольтных комплектных устройств:
-
НКУ ввода и распределения.
-
Главное распределительное НКУ СП.
-
Трансформаторное НКУ СП.
-
Штепсельное.
По способу применения:
-
для ввода и измерения объема потребления электричества от трансформатора, генераторы или от общественных сетей;
-
главное распределительное для приема электричества, которое применятся для освещения, питания жилых помещений, сварочных устройств и прочее.
-
НКУ распределительное: прием и распределение энергии от более крупных низковольтных установок, а также для подключения электропитания.
-
Низковольтное устройство для трансформаторов – уменьшение напряжения в сети до необходимого уровня.
-
Штепсельное устройство – прием электричества через удлинитель от другого любого устройства распределения.
Элементы низковольтных устройств размещаются в специальных шкафах (напольные, настенные), устройства бывают как стационарные, так и передвижные. Например, НКУ для ввода, требуется отдельное место для измерительного и учетного оборудования и элементов, которые фиксируют и обозначают наличие тока в сети. Измерительный блок должен быть опломбирован. Помимо этого, в таких устройствах внутренняя проводка должна быть надежна закрыта от посторонних, при этом обеспечивая доступ к измерителям и тумблерам, с соответствующими надписям, а на двери шкафа размещается изображение электросхемы. Провода в НКУ вводятся либо сверху, либо снизу, допускается пластиковая либо резиновая изоляция. Устройства производятся с резиновыми (при защите IP 54) или же с пластмассовыми уплотнителями и креплением кабелей в корпусе устройства.
Ниже вы можете воспользоваться онлайн-калькулятором для рассчёта стоимости проектирования сетей электроснабжения:
Это интересно: Электропроводка в передвижной бане — как сделать правильно
Технические советы по электрификации строительной площадки
Работы на местности начинают после того, как выяснены все описанные выше организационные вопросы, сделан выбор системы однофазного или трехфазного напряжения, определена допустимая мощность.
Первым действием следует уточнить место установки вводного электричества щита. Его необходимо располагать в зоне строительства на удалении не более 25 метров от границ участка и резервного ввода при использовании автономной генераторной установки.
От него создается разметка всех кабельных трасс к местам:
- ответвительной опоры ВЛ;
- силовым цепям строительного оборудования;
- осветительным приборам системы освещения.
Силовые цепи используются для подключения механизмов:
- приготовления бетона и строительных растворов;
- подъема грузов на высоту талями или краном;
- сварки;
- деревообработки.
Систему освещения можно вначале создать из нескольких прожекторов или одного светильника. В дальнейшем потребуется ее расширять, используя основные и аварийные, местные и общие источники.
Типовые схемы подключения потребителей
Чтобы проложить электрические кабели, необходимо определиться с их длиной и типом, подбирая по мощности питаемых потребителей. На выбор кабеля может повлиять схема подключения нагрузок:
- радиальная;
- кольцевая;
- смешанная.
Принцип радиального подключения означает питание вводного щита от опоры ЛЭП и разводки от него кабельных линий ко всем без исключения потребителям отдельными магистралями.
Когда застройщик владеет резервным источником, например, автономным генератором, то можно применить кольцевую либо смешанную схему питания.
При кольцевом типе электроснабжения создается возможность подключения любого потребителя по кольцу от вводного щита или резервного генератора.
Смешанная схема несколько проще в исполнении, но допускает одностороннее питание каких-то неосновных потребителей.
В любом случае следует учитывать, что применение резервного питания исключает продолжительные перерывы строительных операций при пропадании электроэнергии от основной сети.
Рекомендуемые конструкции для вводного устройства
Отдельные строители, обладающие начальными навыками электрика низкой квалификации, самостоятельно подключают электрическую энергию к вводному устройству, особо не заботясь о правилах безопасности и рисках для здоровья окружающих.
Расположенные на открытом воздухе коммутационные аппараты и розетки, подверженные действию атмосферных осадков, раскиданные прямо по земле кабели, через которые вынуждены перешагивать рабочие, являются не самыми грубыми нарушениями. А даже они представляют серьезную опасность.
Доступ посторонних людей к коммутационному оборудованию необходимо надежно ограничивать. Монтировать электрические приборы на досках, листах фанеры, материалах, впитывающих влагу из воздуха, нельзя.
Современные производители электротехнического оборудования для решения подобных задач выпускают большой ассортимент разнообразных вводных щитов из металла с герметичным корпусом.
Они созданы для эксплуатации в условиях открытого воздуха, закрываются на замок, исключают попадание посторонних людей под напряжение.
Внутри такого щита размещают:
- электрический счетчик;
- защитные и коммутационные аппараты;
- контейнер для розеток;
- шины подключения защитного и рабочего нуля.
На стройке часто используются не только стационарно установленные, а мобильные электрические инструменты и устройства. К ним тоже требуется подводить электроэнергию кабелями. В этом случае требуется беречь их от механических нагрузок: подвешивать на безопасной высоте или укладывать в траншею, закапывая грунтом.
Ограничения при проведении земляных, аварийно-восстановительных и иных работ
Внесены ограничения при проведении земляных, аварийно-восстановительных и иных работ. Введен запрет на:
- Проведение работ за пределами территории, указанной в ордере (разрешении).
- Приготовление раствора и бетона на проезжей части улиц и магистралей.
- Проведение откачки воды из колодцев, траншей, котлованов непосредственно на тротуары и проезжую часть улиц и магистралей, а также размещение грунтов и отходов строительства и сноса, сжигание и проведение захоронения отходов на выше указанных территориях.
- Препятствование проезду автотранспорта на въездах и выездах и проходах во дворы.
- Загрязнение почвенного слоя на территории проведения работ.
Рекомендации по обустройству подсветки на стройке
В соответствии с требованиями СНиП при обустройстве освещения площадок нужно придерживаться действующих строительных требований. В технической документации указаны усредненные показатели, от которых можно немного отклоняться в нужную сторону.
В каждом конкретном случае важно учитывать такие параметры
Размеры земельного участка, на котором планируется проведение строительных работ.
Действующие ГОСТы, стандарты, нормы.
Варианты освещения, светотехнического оборудования (модели прожекторов, прочих устройств)
В данном случае важно придерживаться ГОСТов, предусмотренных для каждого отдельного осветительного прибора.
Световой источник, установленный на прожекторе (уличном фонаре, лампе, прочих светотехнических установках).
Проект временного электроснабжения строительной площадки
Прежде чем приступать к проектированию электроснабжения объекта строительства, изучают условия подключения и эксплуатации. При этом учитывают:
- удаленность объекта от электросетей;
- назначение объекта строительства (дача или коттедж);
- способ подключения стройплощадки (на постоянной основе или временной);
- необходимая мощность сети (исходя из суммарной потребляющей мощности оборудования);
- необходимое количество фаз (220 или 380 В);
- в каком состоянии находятся источники электроснабжения строительной площадки (выясняется потребность в их реконструкции);
- сроки.

Следует учитывать, что электроснабжение стройплощадки может быть обеспечено от стационарного источника или от временного. К стационарным источникам относятся трансформаторные подстанции, воздушные ЛЭП и наземные распределительные устройства, к временным – дизельные (бензиновые) генераторы.

На видео показана работа дизельгенераторов на строительной площадке.

Дизель-генераторы 200 кВт на стройке. Обзор. Преимущества.
Выбор источников электроснабжения
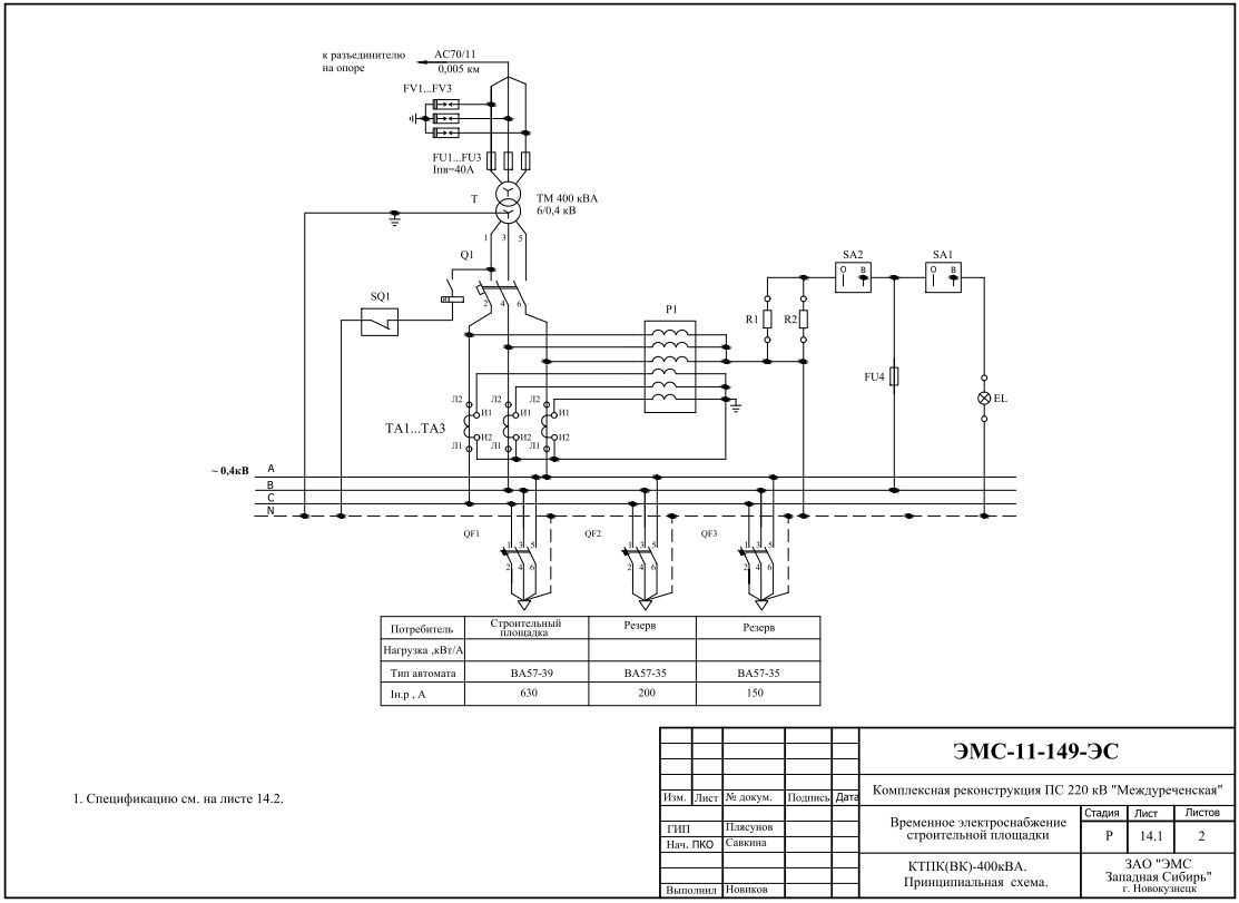
Стационарные источники, которыми являются объекты районных электросетей, более предпочтительные. Но в том случае, если подключение выполняется непосредственно к ЛЭП (кроме линий 0,4 кВ), используется понижающий трансформатор напряжения. При этом мощность трансформатора должна соответствовать суммарной мощности потребителей (плюс 15% запас).
Комплектные трансформаторные подстанции (КТП) бывают передвижными, открытыми и закрытыми. Размещать на стройплощадке их следует ближе к центру подключения всех потребителей, но вне зоны действия подъемных механизмов.

Планирование электросетей на стройплощадке
Монтаж питающей электросети на стройплощадке выполняется с помощью кабельных подземных и воздушных линий. В том случае, если подземные линии не могут быть в дальнейшем использованы на постоянной основе, рекомендуется использовать воздушные линии электропередач. Кабельные подземные линии применяются тогда, когда эксплуатация воздушных ЛЭП может быть опасной.
При планировании электросетей руководствуются следующими правилами.
- Для запитывания стройплощадки обычно используют четырехпроводную сеть напряжением 380 В. К ней подключают оборудование, для работы которого требуется три фазы, а также и однофазные потребители (для чего задействуют «нулевой» провод и одну из фаз).
- Освещение подключают к отдельной сети, не связанной с питанием электрооборудования большой мощности.
- Трасса временной воздушной линии должна быть как можно более прямой.
- Для линий освещения и для монтажа силовых линий допускается использование общих временных опор.
- Глубина траншеи для прокладки кабелей – не менее 0,8 м. На дне траншеи должна быть устроена подсыпка из песка или просеянного грунта. Под проезжей частью кабели защищают бетонными перекрытиями или рядом кирпичей.
- Длина кабеля должна быть достаточной для укладки слегка волнистой линией для компенсации подвижек грунта.
- Минимально допустимое расстояние от силовых подземных кабелей до других коммуникаций – 0,5 м. При этом в местах наибольшего сближения кабели защищают оболочкой из металла либо прокладывают в стальных трубах.
- Для учета затрачиваемой электроэнергии временная электросеть должна быть подключена к счетчику.
Выбор кабелей
- Сечение и материал жил кабелей выбирают с учетом того, чтобы максимально допустимый ток превышал расчетное значение на 10-15%.
- Для прокладки в траншеях применяют бронированные кабели.
- Для подключения к электросети специального оборудования, необходимого на стройке, используют переносные (шланговые) кабели с изоляцией из ПВХ или резины.
- Сети внутреннего освещения монтируются с использованием медных проводов сечением 2,5 мм² или алюминиевых – 4 мм².
- Механическая прочность воздушной линии может быть обеспечена алюминиевыми проводами сечением жилы от 16 мм² и более либо сталеалюминиевыми – от 10 мм².

Предлагаемая схема ЩРСП

Анализ электротравматизма в строительстве свидетельствует о том, что электротравмы чаще всего случаются при эксплуатации временных электросетей, как проводных, так и кабельных, сооружаемых на период строительства различных объектов (промышленных предприятий, жилых домов и т. д.). На таких сетях по различным причинам часто повреждается изоляция, что вызывает косвенное прикосновение к токоведущим частям, а последнее ведет к несчастным случаям.
Одной из мер защиты от электротравм является обязательное применение устройств защитного отключения (УЗО), что и требуют «Правила устройства электроустановок» (ПУЭ) изд. 7, гл.1.7.49; 1.7.50; 1.7.51.
Решить проблему повышения уровня электробезопасности при работе с ручными электрическими машинами, электроинструментом, другим электротехническим оборудованием в строительном процессе призвана разработка – щиты распределительные для строительных площадок (ЩРСП).
Помимо повышения уровня электробезопасности распределительные щиты отличаются и другими положительными качествами: • мобильность, небольшой вес, что позволяет при необходимости легко переносить их на другое рабочее место; • возможность производить контроль исправности отходящих линий электропитания, причем каждой линии отдельно; • возможность подключения щитов к любой электросети, как-то: T-NS или TN-C и т. д., что позволяет включить любого потребителя на строительной площадке в соответствии с требованиями ПУЭ; • возможность контроля за состоянием сопротивления изоляции отходящих линий; • предупреждение и предотвращение пожара, который может возникнуть из-за неисправности электросети и электрооборудования; • стандартные комплектующие изделия модульного типа, что позволяет оперативно производить ремонт в случае необходимости; • раздельное электропитание каждой отходящей линии (при невозможности оперативного ремонта одной из отходящих линий), что позволяет отключить неисправную линию и продолжить работу на остальных.
Модели содержат электроустановочные изделия (автоматические выключатели, УЗО, силовые разъемы и др.). Комплектация ЩРСП отвечает требованиям ГОСТ 51327299 (МЭК-1008) и ГОСТ 52327200 (МЭК-1009), введенных в действие с 2001 г. Щиты сертифицированы органами Госстандарта РФ. Предлагаемые ЩРСП защищены патентом РФ (№ 35043 от 20.12.2003 г.) и рекомендованы для применения в строительном производстве в целях повышения уровня электробезопасности, обеспечения защиты людей от поражения электрическим током и пожарной безопасности оборудования.
Особенности организации системы освещения строительной площадки
Предназначение осветительных устройств для жилых, нежилых помещений понятно любому человеку. А вот для чего необходима качественная освещенность строительной площадки понимает не каждый, так как далекие от строительной деятельности люди предполагают, что строительные работы производятся, как правило, в светлый период суток, когда вполне достаточно естественного освещения.
Но это ошибочное мнение. При строительстве различной категории объектов возникают разные ситуации, когда работы могут производиться и в темное время суток, например:
- строители могут работать не только в дневную, но и в ночную смену;
- в строительной компании установлен ненормированный рабочий день;
- недостаточная видимость в пасмурный день;
- необходимость проведения монтажных, отделочных работ внутри недостроенного сооружения;
- короткий световой день (рано темнеет);
- конструктивные особенности здания (когда часть здания сооружается под землей) и множество прочих нюансов.
Поэтому для эффективности проведения строительных работ вместе с естественным освещением используют искусственное в качестве дополнительной подсветки темных зон, на которых производятся монтажные работы.

Все необходимые нормы освещенности разнотипных объектов определены СНиП, ГОСТом. В данных документах представлены формулы расчета необходимых параметров для каждого конкретного объекта, территории, зоны.
Монтаж основных узлов оборудования подстанции
На стройплощадку доставляются электротехнические агрегаты, которые монтируются внутри помещения. Их стягивают болтами, соединяют между собой через сборные шины, далее подкладывают кабели и производят ревизию аппаратуры.

В помещениях, где выполняется монтаж, должны быть завершены отделочные мероприятия. После этого в соответствии с чертежами прокладываются кабельные каналы. Для закрытых устройств предусматривается покрытие цементными стяжками и плитами. Ввод высокого напряжения осуществляется как посредством подземных кабелей в предусмотренных каналах, так и через воздушные линии.
Силовые трансформаторы могут занимать несколько помещений, что должно быть предусмотрено в проектном решении. Причем в ходе строительства подстанции должна быть технически продумана и возможность закрепления трансформатора непосредственно на фундаменте или на несущей подложке. Отдельное помещение предусматривается для установки распределительных устройств. Нейтраль электроустановок соединяется с заземляющим приспособлением с помощью сварки. Для заземления предварительно организуются специальные шины в виде полос с сечением 40 х 4 мм. От них делается вывод к трансформатору.






























