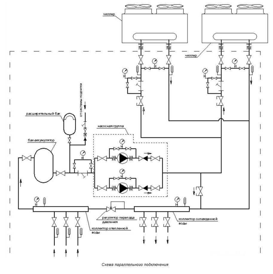
Параллельное подключение

Мощность чиллера может быть как очень скромной (до 20 кВт), так и весьма производительной (до нескольких тысяч кВт). Чем была производительность, тем качественнее и дороже должен быть компрессор. Если используется очень мощное оборудование, суммарную холодопроизводительность можно разделить на несколько частей путем параллельного подключения. Это позволит уменьшить нагрузку на каждый из чиллеров, а значит можно использовать менее дорогой компрессор.
Также параллельное подключение может быть полезно при ротации или резервировании чиллеров. Если используются чиллеры с разной производительностью, их работу необходимо сбалансировать. Здесь как раз и поможет параллельное подключение
Однако, важно понимать, что это крайняя мера. По умолчанию рекомендуется все же использовать чиллеры с одиноковой производительностью, чтобы не приходилось долго и кропотливо настраивать их работу
Особенности монтажа систем

Для чего нужен чиллер, стало более или менее понятно, однако теперь на очереди другой вопрос: есть ли какие-то особые требования к монтажу? Чтобы гарантировать эффективную работу, необходимо выполнять все правила. С основными из них лучше познакомиться еще до того, как будет сделан окончательный выбор.
- Этот вид оборудования обязаны устанавливать только грамотные специалисты, поэтому необходим тщательный выбор организации.
- Перед покупкой хозяевам надо составить проект инженерной сети, выбрать агрегат необходимой мощности, определить оптимальное место монтажа.
- Для решения всех предыдущих вопросов лучше обратиться к профессионалам. Им же рекомендуют доверить проверку выбранного оборудования.
- Вокруг чиллера должно оставаться достаточно свободного места, чтобы была возможность обслуживания агрегата, его ремонта в случае отказа техники.
- Если оборудование будет находиться на улице, то заливать в него нужно незамерзающие жидкости: пропилен- либо этиленгликоль. Концентрация растворов-антифризов — 50%, это максимум.
Строгое соблюдение рекомендаций производителя, техники безопасности — обязательное условие. Как правило, сразу после монтажа проводят пуск и наладку агрегатов.
С выносным гидромодулем

- Поршневые компрессора
- Ротационные компрессора
- Спиральные компрессора
- Винтовые компрессора
Опции чиллеров
Фрикулинг

Теловой насос — это режим работы чиллера “на отопление”. Парокомпрессионный цикл работает несколько в иной последовательности, испаритель и конденсатор меняются своими ролями и теплоноситель не охлаждается, а нагревается. Кстати, заметим, что чиллер хоть и холодильная машина, дающая трижды больше холода, чем потребляет, но он ещё более эффективен в качестве отопителя — тепла он даст в четыре раза больше, чем затратит электроэнергии. Режим теплового насоса наиболее распространен в общественных и административных зданиях, иногда применяется для складов и др.
Плавный пуск компрессора — опция, позволяющая избавиться от высоких пусковых токов, превышающих рабочие в 2-3 раза.
Типология чиллеров
типа компрессора
Номенклатурный ряд выпускаемых чиллеров в последние годы значительно обновился за счет широкого применения новых более эффективных типов компрессоров: спиральных, одновинтовых, двухвинтовых которые в диапазоне малых, средних и больших производительностей постепенно вытесняют поршневые компрессоры. Расширился ряд чиллеров со встроенным гидравлическим модулем, в том числе и с аккумулирующим баком.
Чаще используются в качестве испарителей пластинчатые и поверхностные теплообменники, что дало возможность уменьшить габариты агрегатов и их вес. В последнее время производители начали випускать чиллеры на экологически безопасных фреонах R407° C, R134a. В зависимости от способа охлаждения конденсатора холодильные установки разделяются на чиллеры с воздушным охлаждением конденсатора и с водяным охлаждением конденсатора. Наибольшее применение находят чиллеры с воздушным охлаждением конденсатора, когда теплота от конденсатора отводится воздухом, чаще наружным.
Этот способ отвода теплоты требует установки его снаружи здания или применения специальных мероприятий, обеспечивающих такой способ охлаждения. Чиллеры с воздушным охлаждением конденсатора выпускаются в моноблочном исполнении, когда все элементы чиллера находятся в одном блоке, и чиллеры с выносным конденсатором, когда основной блок может устанавливаться в помещении, а конденсатор, охлаждаемый наружным воздухом, размещается вне здания, например на крыше или во дворе. Основной блок соединяется с воздушным конденсатором, установленным снаружи здания, медными фреонопроводами.
Выбор оборудования
Использование в холодильных установках воды в качестве холодоносителя экономично. Это также обеспечивает простоту в процессе проектирования и установки.
Но этот вид чиллерной системы имеет и некоторые недостатки, главным из которых является возможность работать только в теплое время (при плюсовой температуре).
Решить проблемы удалось благодаря использованию различных дополнительных установок.
Комбинирование воздушного охлаждения и незамерзающей жидкости
В этом виде установки осуществляется сочетание воздушного охлаждения и использование незамерзающей жидкости (смесь гликоля и воды), выполняющей роль теплообменника.
Если сравнивать с чиллером, который имеет просто воздушное охлаждение, этот вариант лучше. Не нужно бояться, что может разморозиться испарительная часть кондиционера. Все оборудование может работать при минусовой температуре.
Из минусов можно выделить: относительно высокая цена и увеличение потребления электроэнергии. Также для установки этого вида охлаждения обязательным является монтаж специальных датчиков, которые следят за состоянием теплообменника и препятствуют его размораживанию во время работы системы в зимний период.
Встроенная градирня
Для работы чиллера в режиме свободного охлаждения используется градирня. В этом случае компьютер сам настраивает систему. Потребление электричества системой чиллера сводится к минимуму. Также возможна работа оборудования без дополнительной теплообменной установки с использованием гликоля и воды.
Выносные конденсаторы
При использовании выносных конденсаторов система внутреннего чиллера способна работать при очень низких температурных показателях без риска размораживания. Снижается уровень шума при работе. Уменьшается вес оборудования, что значительно облегчает нагрузку на крышу здания. Это дает возможность установки системы на большее количество зданий.
Чиллер и конденсатор должна монтироваться близко друг к другу. Это расстояние не должно превышать 25 метров. Система нуждается и в большом количестве охладительной жидкости (фреона), а сложность конструкции и отдельных частей оборудования требует проведения работ по установке высококвалифицированными специалистами.

Выносные конденсаторы позволяют чиллеру работать при очень низких температурах
Из чего состоит чиллер с воздушным охлаждением конденсатора
Основными составляющими любого чиллера являются:
- Компрессор. Компрессор-агрегат, переводящий фреон в жидкое состояние за счет повышения давления.
- Конденсатор. Служит для забора тепла из фреона и охлаждения.
- Испаритель. Система, в которой фреон после расширения, переходит в охлажденное газообразное состояние.
- Теплообменник. В нем охлажденный фреон отдает холод воде(воздуху)и после передачи при помощи магистральных путей, обеспечивает работу фанкойлов.
Одним из самых распространенных принято считать чиллер с воздушным охлаждением конденсатора. Такие охлаждающие системы чаще всего находят свое применение на крупных производствах и в торгово-офисных центрах, с повышенным скоплением народа и большими площадями.
Промышленный чиллер
Что это такое
Такое громоздкое климатическое оборудование имеет сходство с мульти- сплит системой, а точнее с его наружной частью, которая и выполняет функцию центрального кондиционера. В качестве внутренних кондиционеров применяются вентиляторы, фанкойлы. Такую систему по-другому называют чиллер-фанкойл. Устройство чиллера дает возможность подключения любых видов фанкойлов.
Работа чиллера несколько отличается от работы традиционного кондиционера. В последних роль охладителя играет фреон или хладон.
В составе чиллера используется вода и фреон. Иногда вместо воды применяют гликоль или его смесь с водой. Главный блок чиллера и фанкойлы связывает магистраль из труб, по которой движется вода.
Сжатие фреона происходит в конденсаторе под воздействием компрессора, давление повышается и фреон приобретает жидкое состояние, причем его температура увеличивается.
В жидком виде фреон подается конденсатор, где отдает свое тепло воде или воздуху и перемещается в испаритель.
Испаритель регулирует количество охлаждающего вещества. В нем фреон переходит в газообразное состояние и его температура понижается. На выходе из термо расширителя хладагент представляет собой пар смешанный с жидкостью.
Фреон, попадая в теплообменник, охлаждает воду, которая поступает в фанкойлы. Воздух затем охлаждается в радиаторах фанкойлов.
При работе на обогрев этапы сохраняются, но цикл имеет обратный порядок. Проходящий воздух нагревается теплой водой.
Чрезмерное давление хладагента может вызвать повреждение системы. Чтобы этого избежать применяют реле высокого давления и манометр. Эти приборы помогают следить за системой. Непосредственно хладагент хранится в жидкостном ресивере.
Важной частью чиллера является фильтр-осушитель. Он устраняет из хладагента водяные пары и иные загрязнения
Соленоидный вентиль предназначен для контроля за потоком хладагента. Если происходит сбой компрессора, он автоматически останавливает работу системы. Таким образом, испаритель защищен от попадания в него жидкого фреона.
На производствах в дополнение к чиллерам часто устанавливают автоматические системы контроля уровня воды. Подача воды обеспечивается специальными насосами.
ОТЛИЧИЯ ЧИЛЛЕРА ОТ ТРАДИЦИОННОГО КОНДИЦИОНЕРА
— способность охлаждать и обогревать крупногабаритные помещения при минимальной затрате средств
— возможность автоматической работы
— возможность установки и поддержания индивидуальных параметров для разных частей здания
— допускается расстояние до 100 м между чиллером и фанкойлами (в обычных сплит системах до 10 м)
— низкие шумовые показатели
— экологичность
— возможность гибкой планировки
— круглогодичное использование
— низкий риск утечки жидкости
ОТЛИЧИЯ МЕЖДУ КОНДИЦИОНЕРОМ И ФАНКОЙЛОМ
Однако имеются существенные различия между бытовыми кондиционерами и фанкойлами. В последних охлаждение осуществляется водой, а не фреоном.
Иные отличия заключаются в следующем:
— Для установки фанкойла понадобится больше оборудования
— Монтаж фанкойла сложнее, чем бытового кондиционера
— Расстояние между частями чиллера и фанкойлом может быть больше, чем между частями сплит системы
-Возможность установки индивидуальных параметров для разных помещений. Причем одно помещение моет обогреваться, а другое – охлаждаться.
-КПД распространяется на значительно большую площадь, чем у традиционного кондиционера
Подключение чиллера и фанкойла
Слаженное функционирование системы происходит путем объединения чиллера с одним или несколькими фанкойлами посредством трубопроводов с теплоизоляцией. В случае отсутствия последней значительно падает значение КПД системы.
Каждый файнкойл имеет индивидуальный узел обвязки, посредством которого обеспечивают регулировку его производительности как в случае выработки тепла‚ так и холода. Расход хладагента в отдельном агрегате регулируют посредством специальной арматуры — запорной и регулирующей.
Элементами двухтрубной системы являются: кран шаровой (1)‚ фильтр (2)‚ клапан трехходовой с приводом (3). Это самая простая схема обвязки. Чтобы направить охлажденную воду в теплообменник одну трубу подключают к фанкойлу, а другую — для отвода жидкости — к чиллеру. Устройство системы допускает смешивание хладагента с теплоносителем
Если нельзя допускать смешивания теплоносителя с холодильным агентом. воду подогревают в отдельном теплообменнике и дополняют схему циркуляционным насосом. Чтобы обеспечить плавную регулировку потока рабочей жидкости через теплообменник при монтаже схемы обвязки используют 3-ходовой клапан. Если в здании смонтирована двухтрубная система, то и охлаждение и нагрев происходит за счет охладителя — чиллера.
Для повышения эффективности отопления с помощью фанкойлов в холодный период‚ в дополнение к чиллеру в систему включают котел. В отличие от двухтрубной системы с одним теплообменником‚ в четырехтрубную систему заложено 2 этих узла. В этом случае фанкойл может работать и на нагрев‚ и на холод‚ используя в первом случае жидкость, циркулирующую в системе отопления.
Один из теплообменников подключают к трубопроводу с хладагентом, а второй к трубе с теплоносителем. На каждом теплообменнике имеется индивидуальный клапан‚ управляемый специальным пультом. Если применена такая схема‚ хладагент никогда не смешивается с теплоносителем.
Так как температура теплоносителя в системе в отопительный сезон колеблется в пределах от 70 до 95⁰ и для большинства фанкойлов она превышает допустимую‚ ее предварительно снижают. Поэтому горячая вода‚ поступающая от центральной теплосети к фанкойлам‚ проходит специальный тепловой пункт.
Сферы применения промышленных чиллеров
В промышленности подобное оборудование применяется в следующих направлениях:
- в пищевом производстве – подачи промышленного холода на линии требуют технологии изготовления хлебобулочных и кондитерских изделий, мясной и молочной продукции, фасовки сиропов и соков, вина, других алкогольных напитков;
- при литье резины и пластмасс, изготовлении полиэтилена при помощи чиллеров охлаждаются пресс-формы, ТПА, экструдеры;
- в полиграфии холодильные установки необходимы для задействованной в производстве продукции воды;
- химическая промышленность использует технологии химических реакций, проведение которых невозможно без использования холодной воды;
- в машиностроении и металлургии холодильные чиллеры применяются при работе индукционных печей;
- в фармацевтической промышленности холодильные промышленные чиллеры применяются при изготовлении лекарственных средств;
- для создания и обслуживания аквапарков и ледовых арен, развлекательных площадок, спортивных комплексов, бассейнов;
- без холодильного оборудования невозможна работа торгового оборудования и демонстрации скоропортящихся продуктов в торговых точках;
холодильное оборудование
- ювелирной промышленности;
- на машиностроительных и ракетных производствах;
- в компьютерных, оптических, лазерных технологиях;
- в медицине.
В связи с широким спектром сфер использования модели чиллеров могут иметь значительные конструктивные отличия, но их действие остается принципиально схожим.
Это далеко не полный список направлений, в которых эксплуатируются охладительные чиллеры. Развитие технологий, появление новых производств, усовершенствование промышленных линий вызывает дальнейшее распространение промышленных чиллеров.
Компрессор для чиллера
Компрессор является главной частью любой кондиционерной машины, внутри него активизируются основные процессы агрегата, поэтому на работу этого элемента уходит значительная часть энергии. Компрессорная установка нацелена на сжатие паров действующего вещества прибора (фреона). После того, как пар перешел в сжатое состояние, а давление внутри агрегата повысилось, начинается процесс конденсации.

Современные компрессоры нацелены на всестороннюю экономию энергии, они оснащены инновационными деталями, которые помогают сохранить энергетическую эффективность и оптимизировать управление прибором. Принцип работы системы чиллер фанкойл заключается в рациональном расходе энергии, а также минимизации шума при работе агрегата.
Такие современные приборы отличаются:
- высокой эффективностью;
- минимальным шумовым уровнем;
- многофункциональностью;
- компактными размеров и форм;
- универсальностью;
- минимальными вибрационными движениями;
- удобством при использовании.
Принцип работы чиллера фанкойл основан на использовании минимального количества энергии и максимальной выдаче тепловых результатов.
Абсорбционный чиллер

Холодильная машина, работающая по принципу абсорбции (лат. absorbere — поглощать, растворять), добивается результата за счёт поглощения тепла сорбентом. Принцип абсорбции позволяет обходиться без компрессора и движущихся механизмов. Ее преимущество, это возможность запуска в местах, где электрическая энергия недоступна или ограничена. Для работы машины необходим источник тепла. Это может быть горячая вода, пар, природный газ, твердое топливо. Чиллер заправляется хладагентом. Жидкости для этого типа аппаратов могут различаться по химическому составу.
Абсорбционные устройства подразделяются по некоторым характеристикам, в число которых входят:
- число контуров (от одного до трех);
- нагревающее вещество;
- состав хладагента.
Количество контуров влияет на получаемую разницу в температуре. Чем больше контуров, тем более производительно работает чиллер.
По типу нагревающего вещества машины могут быть: прямого нагрева, использовать внешние источники для обогрева или быть комбинированными. При прямом нагреве в корпусе устройства имеется топка для сжигания горючих веществ: газа, твердого или жидкого топлива. Устройствам непрямого нагрева потребуется внешний источник тепла: пар, вода, воздух.
Состав смеси для хладустройств может включать бромид лития в качестве абсорбента и воду-хладагент. Это бромистолитиевые машины. У аммиачных машин роль хладагента исполняет аммиак, в роли абсорбента выступает вода.
Существуют бромистолитиевые и аммиачные абсорбционные холодильные машины. В первых хладагентом является вода, абсорбентом – бромид лития LiBr. Чиллер второго вида заправляется хладагентом, состоящим из аммиака NH3, в качестве абсорбента заливается вода.
АБХМ, работающие с бромидом лития получили большую популярность.
Их конструкция состоит:
- из 2 камер;
- теплообменника;
- контура (1, 2 или 3).
Верхняя камера вмещает конденсатор и генератор, нижняя – испаритель и абсорбер. Генератор нагревает рабочий состав, влага испаряется, концентрация бромистой соли лития увеличивается.
В конденсаторной камере водяные пары остывают, конденсируются и возвращаются в контур. В испарителе устанавливается низкое давление, при котором вода опять переходит в пар.
Теплообменник обеспечивает термообмен между хладагентом и абсорбентом.
Схема работы

Схема работы чиллера представлена на картинке выше. Давайте подробнее остановимся на каждом компоненте:
1. Компрессор
Начнем с одного из важнейших компонентов — компрессора. Его роль проста. На первом этапе компрессор должен сжимать и перемещать газообразный фреон. В процессе сжатия температура и давление хладагента повысятся. В таком виде фреон перемещается в конденсатор, о нем мы поговорим ниже. При попадании в конденсатор хладагент охлаждается и преобразовывается в жидкость. Затем он перетекает в испаритель, закипает и переходит в газообразное состояние.
2. Конденсатор
Конденсатор также часто называют теплообменником. Через конденсатор выделяется тепло, поглощённое хладагентом во время циркуляции в системе. При перемещении в конденсатор хладагент подается в сжатом виде. Затем он охлаждается и конденсируется, превращаясь в жидкость.
3. Реле повышенного давления
Защищает систему от повышенного давления в системе.
4. Манометр повышенного давления
Позволяет отслеживать показатели давления хладагента и не допускать его повышения.
5. Жидкостной ресивер
Здесь хранится хладагент, когда это необходимо.
6. Фильтр
Удаляет загрязнения и излишнюю влагу из хладагента. Избыток влаги или грязь могут негативно повлиять на работу всей системы кондиционирования.
7. Соленоиндный клапан
Это электрически управляемый клапан запорного типа. Он необходим для регулировки потоков хладагента. Клапан автоматически закрывается, если компрессор останавливает свою работу. Если компрессор включен, клапан открывается и хладагент дальше перемещается по системе.
8. Смотровое стекло
Через него осуществляется слежка за потоком и состоянием хладагента. Если во фреоне появятся видимые пузырьки, это будет означать, что в системе не хватает холодильного агента. Также эта часть системы нередко оснащается индикатором влажности. Этот также важный показатель, за которым необходимо периодически следить. Если индикатор горит желтым цветом, значит в системе обнаружено избыточное количество влаги и требуется провести техническое обслуживание.
9. Вентиль терморегуляции
Вентиль терморегуляции необходим для определения, сколько фреона можно подать в систему для его полного испарения. Хладагента должно быть ровно столько, сколько может испариться в системе при текущих условиях работы.
10. Пусковой клапан горячего газа
Он не входит в стандартную комплектацию, но порой встречается в чиллерах. Часто такой клапан называют просто регулятором производительности. Он необходим для снижения пропускной способности системы. При открытии клапан выпускает горячий фреон с нагнетания в жидкостной поток, который поступает в испаритель.
11. Испаритель
Наряду с компрессором и конденсатором один из важнейших компонентов системы. Именно здесь хладагент закипает, при испарении поглощая тепло у проходящей охлаждающей жидкости.
12. Манометр пониженного давления
Необходим для отслеживания пониженного давления хладагента.
13. Защита от пониженного давления
Еще одна защита, которая необходима для защиты системы от пониженного давления фреона в холодильном контуре. Благодаря ему вода не замерзает в испарителе.
14. Насос охлаждающей жидкости
Насос, предназначенный для перекачки жидкости в охлаждающем контуре.
15. Защита от замерзания
Еще одна защита от замерзания жидкости в испарителе.
16. Термодатчик
Показывает температуру охлаждающей жидкости.
17. Манометр
Еще один манометр, отслеживающий давление теплоносителя.
18. Автоматическое добавление воды
Если уровень воды опускается ниже допустимого, необходимо добавить жидкость. Этот компонент системы как раз отвечает за добавление в систему необходимого количества воды.
19. Поплавковый включатель
Необходим для отслеживания уровня жидкости. Включается, когда уровень воды понижается ниже допустимого значения.
20. Второй термодачик
Отслеживает температуру нагретой жидкости.
21. Защита от замерзания при низком протоке
Еще один компонент, предназначенный для механической защиты испарителя от замерзания. Включается в те моменты, когда проток воды ниже допустимого уровня. Также отслеживает, когда в чиллере с водяным охлаждением совсем нет жидкости.
Схема охлаждения жидкости с использованием промежуточного хладоносителя и вторичного теплообменного аппарата.

Применяется в случае, если перепад температур ∆Тж = (ТНж – ТКж ) > 7ºС или для охлаждения пищевых продуктов, т.е. охлаждение во вторичном разборном теплообменнике.
Gх= Gж · n
где:
Gх – массовый расход промежуточного хладоносителя кг/ч
Gж – массовый расход охлаждаемой жидкости кг/ч
n– кратность циркуляции промежуточного хладоносителя
n =
где: CРж – теплоёмкость охлаждаемой жидкости, кДж/(кг´К)
CРх – теплоёмкость промежуточного хладоносителя, кДж/(кг´К)
∆Тх = (ТНх – ТКх ) – температурный перепад промежуточного хладоносителя в испарителе
∆Тх = 4…5ºС при температуре хладоносителя ТКх > 0 оС
∆Тх = 3…4ºС при температуре хладоносителя ТКх < 0 оС
Температуре хладоносителя принимается ТКх = ТКж – (3…6 оС)
Принцип действия
Чиллер с воздушным охлаждением по своей сути является холодильной машиной. Её задача – это отвод тепла от охлаждаемого тела (в нашем случае от воды, либо раствора этиленгликоля) т. е. его охлаждения. Но охладить воду это еще не все, ведь тепло, которое чиллер взял у воды надо куда-то передать. Поэтому общей целью работы воздухоохлаждаемого чиллера является перенос тепла от охлаждаемой воды к наружному воздуху. Для этой цели внутри чиллера циркулирует фреон, который меняет свое агрегатное состояние, т. е. то переходит из жидкого в газообразное (испаряется), то наоборот газообразного в жидкое (конденсируется). При испарении фреона происходит поглощение энергии, и при его конденсации – выделение.
Чиллер с воздушным охлаждением
Теперь рассмотрим как это происходит в чиллере с воздушным охлаждением. Основными компонентами устройства под названием чиллер являются испаритель (он же фреоновый охладитель), это теплообменник через который по внутреннему контуру циркулирует фреон, а по наружному вода – синяя и красная стрелки на схеме), компрессор терморегулирующий вентиль (сокращенно ТРВ) и воздушный конденсатор. Жидкий охлажденный фреон после ТРВ поступает в испаритель, где он испаряется и забирает тепло от воды, т. е охлаждает ее. Далее уже газообразный фреон поступает в компрессор, где он сжимается и нагревается. Далее он поступает в конденсатор. Здесь он переходит в жидкое состояние и передает тепло наружному воздуху. Затем он поступает в ТРВ, где происходит снижение его давления и температуры и цикл повторяется.






























