Схема подключения
В зависимости от области применения и предназначения, проходные устройства можно подсоединять несколькими различными способами:
- Установка клавишных проходных приборов для управления одним источником света с двух мест.
- Подключение одноклавишного коммутатора для управления группой ламп освещения с трех мест или больше.
- Установление двухклавишного выключателя для управления двумя независимыми источниками света одним двойным прибором.
Прежде чем описывать схему подключения проходного выключателя, вспомним о том, как работает стандартный.
Схема подключения стандартного выключателя
Схема подключения стандартного выключателя: N– фаза ноль, которая подключается напрямую к светильнику; L – фаза под напряжением, проходящая через выключатель и обеспечивающая зажжение света путем соединения контактов в цепи. Выключение, соответственно, происходит при прерывании напряжения. Распредкоробка – место соединения главного кабеля с «ветками» освещения и распределения тока.
Таким образом, обычный выключатель позволяет зажечь/потушить свет от одной контрольной точки с одного места по принципу прерывания/соединения тока.
Проходной коммутатор имеет немного другой принцип действия: он снабжен тремя контактами (а двойной выключатель такого типа – шестью) и функционирует по принципу переключения с одного контакта цепи на другой.
Схема подключения проходного выключателя Легранд
Схема подключения проходного выключателя Легранд: N – нулевой провод подключен напрямую к светильнику; L – фаза под напряжением подводится к лампе, поочередно проходя через переключатели и, в отличие от стандартного выключателя, подача/отключение света происходит не за счет замыкания/разъема контакта цепи, а за счет их переключения.
Подключение двухклавишного проходного выключателя. Двухклавишный выключатель – распространенный вид проходных устройств. Как правило, применяется для включения/выключения света в двух различных помещениях из одного места. Часто используется в квартирных домах.
По сути, это два самостоятельных одноклавишных устройства, соединенные в одном корпусе. Фазы приборов совмещены и работают по принципу «переключения». Это значит, что в момент подачи питания одной клавиши другая прерывает цепь и отсоединяется.
Двухклавишные проходные приборы Легранд оснащены двумя независимыми группами контактов, благодаря чему клавиши работают независимо друг от друга – при нажатии на одну из них переключение происходит с верхних линий на нижние, причем первые не имеют конечного вывода, а вторые связаны с другим таким же выключателем.
Отсюда следует, что эти устройства имеют две независимые группы контактов: правая и левая. Теперь, когда мы прояснили этот момент, будет проще понять, как подключить данный вид устройства.
Самыми популярными моделями этого вида устройства являются серии legrand etika и valena. Ниже можно рассмотреть схему подключения двухклавишного проходного выключателя.
Схема подключения двухклавишного проходного выключателя
Двухклавишный проходной выключатель Legrand Etika/Valena. Схема подключения: контакты правой группы соединены между собой перемычкой; ко второму из них подсоединяется фазный провод. Контакты левой группы проводят подачу тока к двум независимым друг от друга осветительным устройствам, при этом они не должны быть связаны между собой.
Конструкция и принцип работы проходного выключателя
Проходные выключатели предназначены для включения и выключения освещения из разных концов помещения или лестничного марша. Имеется в виду то, что включить свет можно, например, при входе в комнату, а выключить – в другой ее части. Такой принцип действия позволяет существенно экономить электроэнергию.

Включение света из разных мест не только очень удобно, но еще и позволяет довольно существенно экономить электроэнергию
Проходной выключатель по внешнему виду не отличается от обычного. На его лицевой подвижной панели также изображены стрелочки вверх-вниз. Обычный выключатель оснащен одним входом и одним выходом. В отличие от этого проходное устройство имеет один вход и два выхода. Это свидетельствует о том, что здесь не разрывается ток, а перенаправляется на любой из выходов.
Несмотря на то, что опытные электрики на глаз смогут определить проходной выключатель, надежные производители выпускают изделия с нарисованной электрической схемой двойного проходного выключателя, тройного или одинарного, которая располагается под корпусом устройства.
Определить, что перед глазами именно одинарное проходное устройство, можно также при осмотре клемм с медными контактами. Их должно быть три. Для того чтобы убедиться, что клеммы между собой не перепутаны, следует воспользоваться мультиметром. Прибор следует поставить в режим подачи звукового сигнала и прозвонить его вход и выход. Если при касании к контакту мультиметр издает сигнал, контакт в этом месте присутствует.

Схема распределения связей в сети
Еще одним отличием от простого выключателя является наличие у проходного устройства трехжильной коммутации, а не двухжильной, как у обычного. Это своего рода переключатель, который перенаправляет напряжение от одного контакта на другой.
Проходные выключатели обычно работают в паре для управления за одним источником света. К каждому подводится ноль и фаза. Изменение положения клавиши выключателя способствует замыканию цепи, что заставляет загореться лампочку. При выключении первого или второго переключателя проводок фазы размыкается, а контакт парного выключателя замыкается, и свет гаснет. То есть когда на обоих устройствах клавиши находятся в одном положении, освещение включается, в разных — выключается.
Управлять освещением можно не только из двух мест, но и трех и более. Для этого в общую схему подключения проходного выключателя с двух мест необходимо добавить один или несколько перекрестных переключателей.
Варианты подключения проходных выключателей
Чтобы знать точно, как правильно установить проходной выключатель, нужно для начала разобраться со схемами подключения различных типов переключателей с разным количеством осветительных приборов.
Схема подключения одноклавишных проходных выключателей
Схема одноклавишного проходного переключателя является наиболее простой.
Схема подключения проходного выключателя к группе освещения
- В первую очередь обесточить электросеть и при помощи специального индикатора убедиться в отсутствии напряжения. Только после этого можно приступать к дальнейшим работам.
- Для реализации схемы к распределительной коробке должно приходить 5 проводов:
- питающий – от автомата или пробок;
- 3 двухжильных кабеля, идущих непосредственно на выключатели;
- подключаемый к осветительному прибору.
- Концы проводов зачистить от изоляции;
- Выключатели подключаются в разрыве фазного провода, а нулевой, через распределительную коробку идет на осветительный прибор. Необходимость пропуска фазы через выключатель вызвана тем, чтобы обеспечить безопасность при обслуживании или ремонте осветительного прибора;
- Индикатором определяем фазовый провод и с помощью скрутки соединяем с одним из проводов первого выключателя (обычно для удобства задействуют провода красного или белого цвета);
- Далее нулевые клеммы выключателей проводами соединяются между собой (видно на схеме), а отдельный контакт второго выключателя через провод подключается к светильнику;
- Провод от лампы в распределительной коробке соединяют с нулевым проводом, идущим от электрощита;
- Визуально проверить правильность соединений, сверяясь с приведенной выше схемой и если все в порядке, то можно подавать питание. Перед подачей питания нужно заизолировать скрутки, уложить аккуратно провода в распредкоробке и закрыть ее крышкой.
Для управления освещением более чем из двух мест понадобится включение в схему одноклавишного перекрестного переключателя.
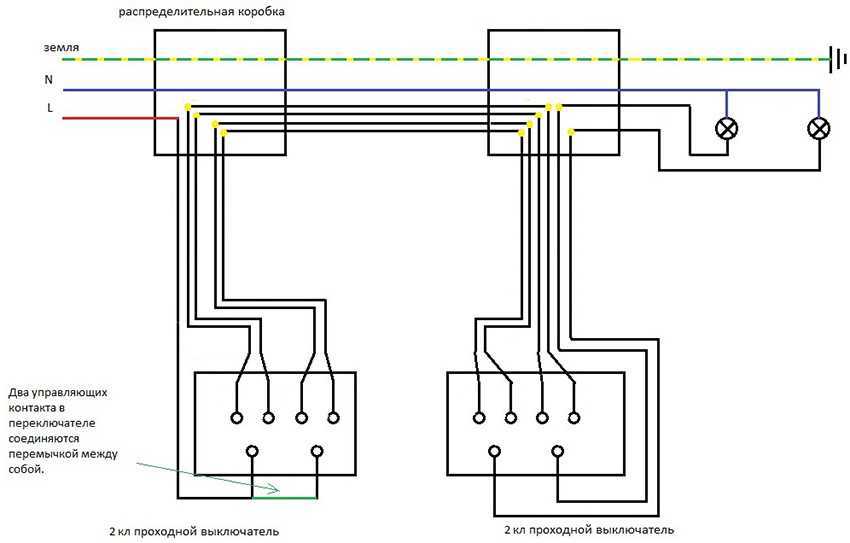
Схема подключений двухклавишных проходных выключателей
Проходные выключатели с несколькими клавишами предпочтительнее ставить в больших помещениях с несколькими входами и различными осветительными приборами, которые требуется включать одновременно. Наиболее популярно подключение проходного двойного выключателя, позволяющего управлять несколькими группами светильников.
Схема того как подключить двойной проходной выключатель
Проходной переключатель с двумя клавишами представляет собой два одноклавишных переходных выключателя, которые заключены в единый корпус. Соответственно для монтажа и функционирования устройству понадобится шесть проводов, что хорошо видно на схеме двухклавишного проходного выключателя.
Проходные трехклавишные выключатели
Схема освещения с использованием трехклавишного проходного выключателя довольно сложна из-за наличия в ней большого количества проводов. Однако данные коммутирующие устройства пользуются популярностью, поскольку позволяют управлять тремя различными группами освещения из одной точки доступа.
В электросхеме подключения тройные проходные выключатели обычно представляют собой двухклавишный и одноклавишный переключатели.
Перекидные выключатели — схема управления освещением из 3-х мест
А что делать, если вы хотите управлять одним освещением из трех точек и более. То есть выключателей в цепи будет 3, 4 и т.д. Казалось бы нужно взять еще один проходной выключатель и все.
Здесь вам на помощь придет перекидной, или как его еще называют крестовой, перекрестный, промежуточный выключатель. Его ключевое отличие состоит в том, что он имеет четыре выхода — два снизу и два сверху.
И устанавливается он как раз таки в промежутке между двумя проходными. Находите в распаечной коробке два второстепенных (не основных) провода от первого и второго проходного выключателя.
Рассоединяете их, и подключаете между ними перекидной. Те провода что приходят с первого подключаете — на вход (ориентируйтесь по стрелочкам), а те что уходят на второй — к выходным клеммам.
Всегда проверяйте схему на выключателях! Зачастую бывает, что вход и выход у них находится на одной стороне (верх и низ). Например схема подключения перекидного Legrand Valena:
Естественно сам перекидной запихивать в распаечную коробку не нужно. Достаточно завести туда концы 4-х жильного кабеля от него. А сам выключатель тем временем располагаете в любом удобном месте — возле кровати, в середине длинного коридора и т.д. Свет вы сможете включать и выключать из любой точки.
Самое главное преимущество этой схемы в том, что ее можно изменять до бесконечности и добавлять сколько угодно перекидных выключателей. То есть проходных будет всегда два (в начале и конце), а в промежутке между ними 4, 5 или хоть 10 перекидных.
Многие на этапе поиска и подключения общей клеммы в проходном выключателе совершают ошибку. Не проверяя схему, наивно считают, что общая клемма это та, где всего один контакт.
Собирают таким образом схему, а потом переключатели у них почему-то некорректно работают (зависят друг от друга).
И лучше всего вызванить его, что называется «вживую», тестером или индикаторной отверткой.
Чаще всего с такой проблемой сталкиваются при монтаже или замене проходных переключателей от разных фирм. Если раньше все работало, а после замены одного схема перестала работать — значить перепутали провода.
Но может быть и такой вариант, что новый переключатель вовсе и не проходной. Также запомните, что подсветка внутри изделия никак не может влиять на сам принцип переключения.
Еще одна распространенная ошибка — неправильное подсоединение перекрестных. Когда оба провода, с проходного №1 сажают на верхние контакты, а с №2 на нижние. А между тем у крестового выключателя схема и механизм переключения совсем иной. И подключать провода нужно крест-накрест.
1Первый из недостатков проходных выключателей — это отсутствие конкретного положения клавиши ВКЛ/ВЫКЛ, которое есть в обычных.
Если у вас перегорела лампочка и ее нужно заменить, при такой схеме не сразу можно понять, свет включен или выключен.
Будет неприятно, когда при замене, лампа просто может взорвать перед глазами. В этом случае самый простой и надежный способ отключить автомат освещения в щитке.
2Второй недостаток — большое количество соединений в распаечных коробках.
И чем больше у вас светоточек, тем большее их количество будет в распредкоробках. Подключение кабеля напрямую по схемам без распаечных коробок уменьшает количество соединений, но в разы может увеличить либо расход кабеля, либо количество его жил.
Если у вас проводка идет под потолком, то придется оттуда опускать провод к каждому переключателю, а потом обратно поднимать его вверх. Лучший вариант здесь, применение импульсных реле.
А если вам вообще не хочется прокладывать провода и штробить стены, можно ли в этом случае смонтировать проходные выключатели? Можно, при этом все затраты будут в районе 800-1000 рублей. Как это сделать, читайте в статье «Беспроводной проходной выключатель.»
Многие дома или даже квартиры имеют длинные коридоры и лестницы. Соответственно, в ночное время для безопасного перемещения их нужно освещать. При этом освещение должно быть таким, чтобы можно было включить светильник в одном конце коридора и выключить в другом. Это является некоторой проблемкой.
Конечно, такая проблемка имеет решение и оно заключается в подключении и использовании проходного выключателя марки Legrand. По сути дела, этот выключатель состоит из двух выключателей, которые размещаются в обоих концах коридора или лестницы.
Его использование является очень удобным, поскольку перед входом в коридор включается свет, и после того как человек проходит коридор, он выключает свет с помощью второго выключателю, находящегося в конце коридора. Такой способ работы можно назвать главным преимуществом этих включателей.
Источник
Как подключить проходные выключатели для управления освещением из нескольких мест? Схемы подключения и видео
Как уже было сказано выше, проходные выключатели предназначены для управления одной или несколькими группами освещения. Мы уже рассмотрели, как подключить проходной выключатель, и знаем, что управлять осветительными приборами можно из двух или более точек, но у каждой из таких схем имеются свои особенности.
Такое устройство, как выключатель, может выглядеть изящно и богато
В отличие от обычных одно, двух и трехклавишных коммутационных устройств, которые монтируются по одиночке, установку проходных выключателей выполняют только попарно. Далее мы рассмотрим, как выполнить схему управление группами освещения из двух и более мест и особенности подключения.
На видео наглядно показана схема подключения проходного выключателя:
Watch this video on YouTube
Принципиальная схема подключения проходного выключателя с 2-х мест
Подключение проходного переключателя практически не отличается от монтажа обычного 1, 2 или 3-х клавишного выключателя. Различие заключается лишь в количестве клемм и подводимых проводов.
Для реализации схемы подключения проходного выключателя с двух мест потребуется наличие двух коммутирующих устройств, распределительная коробка, в которую подводятся провода от осветительных приборов и трехжильные кабеля от переключателей.
Схема подключения проходного выключателя на 2 точки
Фазовый провод от распредкоробки присоединяется к общему входному контакту 1 проходного переключателя. Выходные контакты параллельно соединяются с аналогичными клеммами второго коммутирующего устройства. От общего контакта второго переключателя провод идет на клемму осветительного прибора. Другая клемма светильника проводом соединяется в распределительной коробке с «нулем».
Вот в принципе и вся схема подключения переключателей с двух мест. По-моему ничего сложно в этом нет.
Схема подключения проходного выключателя с 3-х мест
Иногда возникает потребность в создании более двух точек управления различными группами освещения, например, на лестницах многоэтажных домов, в больших залах, длинных коридорах с несколькими выходами и т.д. В таких случаях реализуется схема подключений проходных выключателей на 3 точки минимум.
Реализация схемы подключения проходного переключателя из трех мест актуальна в многоэтажных домах
Выполнить подобное подключение также можно без проблем, однако, для этого помимо обычных проходных переключателей потребуется и перекрестный выключатель. В таких коммутирующих устройствах имеется уже не три, а четыре контакта – пара входных и два выходных, которые переключаются одновременно, а соответственно необходимо использования четырехжильных кабелей.
В подобной схеме на первой и последней точке управления освещением применяются обычные проходные выключатели, тогда как на всех остальных пунктах задействуются перекрестные переключатели. Число мест управления группами осветительных приборов неограниченно, но с каждой дополнительной точкой осложняется расключение в распредкоробке вследствие большого количества проводов. Для облегчения работ необходимо промаркировать провода, чтобы впоследствии не запутаться в них.
Схема подключения проходных выключателей из 3 мест
Принцип подключения проходных выключателей для трех точек управления следующий:
- Выходные контакты первого проходного переключателя при помощи проводов соединяется с входной парой клемм, идущего следом перекрестного выключателя, и так далее вплоть до последней точки управления, общий провод которого присоединяется к контакту осветительного прибора. Фазовый провод присоединяется к входному контакту первого коммутирующего устройства, а второй провод, идущий от светильника, приходит на «нуль» в распределительной коробке.
- К каждому из проходных переключателей подводится трехжильный провод, а к перекрестным – четырехжильные.
На приведенной выше схеме изображено подключение к освещению трех точек управления, состоящих из двух проходных и одного перекрестного выключателей.
Схема подключения проходного выключателя с 4х мест
Разобравшись, с приведенными выше вариантами расключения, несложно будет осуществить реализацию схемы подключения проходного выключателя на 4 точки и более. Разница заключается во внедрении в цепь дополнительных перекрестных переключателей.
Принципиальная схема подключения проходных переключателей для 4 мест
Принцип работ практически ничем не отличается от предыдущих, просто придется иметь дело с еще большим количеством проводов, так, что совсем нелишним будет их промаркировать.
Место размещения: удобство и безопасность
Перед установкой выключателя следует продумать наиболее удобное место для монтажа и последующего использования. Наиболее выгодная зона размещена около входных дверей (со стороны дверной ручки), но могут быть и исключения (например, рядом с изголовьем кровати).
Перед составлением проекта разводки лучше заглянуть в официальный документ – ПУЭ (правила устройства электроустановок), регламентирующий некоторые нюансы монтажа. Например, пункт 7.1.48 гласит, что выключатель должен находиться не менее 60 см от душевой кабины, а пункт 7.1.50 разрешает его устанавливать не ближе 50 см от газопровода.
Как видно из схемы монтажа, расстояние от дверей до точки установки должно быть не менее 10 см, а до пола – не менее 90 см.
В ванных комнатах и саунах установка приборов управления запрещена, их необходимо выносить за пределы помещения (обычно в коридор).
Схема подключения своими руками: пошаговая инструкция
Схемы подключения выключателей с подсветкой и без нее – одинаковые (схему и правила установки вы найдете здесь). Функции не зависят от наличия дополнительных цепей подсветки. Фаза заводится на выключатель по ТБ. В таком случае, при выключенном свете, на контакте патрона не будет напряжения. Ноль и заземление напрямую идут в люстру. Для безопасности, отключают напряжение и вешают табличку на автомат, чтобы не включили во время работы с проводкой.
Важно
Перед установкой проверяют какой провод под напряжением. Затем необходимо отключить подачу тока и проверить заново.. Пошаговая инструкция:
Пошаговая инструкция:
- Обесточить фазу. Снять кнопку.
- Открутить винты под клавишей. Отсоединить рабочий элемент от рамки.
- Для фиксации и соединения проводов, открутить винты.
- Оголить провода на 1 см.
- Вставить кабели фаз в отверстия от винтов. Смотреть, чтобы оголенная часть провода на 1 мм не входила в паз.
Часто на некоторых дешёвых выключателях , места входного и отводящего каналов отмечены символами. Вход обозначается латинской L или цифрой 1. Выход – цифрой 3.
- Фиксирующие контакты и винты затянуть так, чтобы концы кабелей не двигались.
Если выключатель дешёвый, то резьба не прочная поэтому прилагать большие усилия при затягивании не рекомендуется.
- Установить прибор в подрозетник вертикально.
- Распорными скобами фиксируют рабочий элемент.
- На механизм накладывается рамка и закрепляется винтами.
- Шурупами прикрутить колодку к установочной коробке.
- Для завершения монтажа установить клавиши.
Ток протекает к неоновой лампе через резистор. Это происходит, когда когда клавиша разрывает основную цепь освещения. Резистор используется для понижения напряжения. Индикация при этом будет светить нормально, а для работы светильника электроэнергии будет недостаточно.
При отключённом свете неоновая лампочка замыкает цепь. Поэтому это важный момент. Когда свет включится, ток начнет движение по основной цепи так как там напряжение меньше. Подсветка в этом случае работать не будет благодаря резистору.
Это самая простая схема подключения одноклавишного выключателя. Ее может использовать даже неопытный новичок в электрике. Подключение двухклавишного – такое же, но вместо одной лампы устанавливают две. На каждую клавишу.
Преимущества установки проходного выключателя
Проходные выключатели позволяют управлять освещением помещения из двух или более мест, что является бесспорным удобством. Это особенно ценно для домов в несколько этажей с лестничными пролетами. Здесь можно установить первый переключатель на первом этаже, а следующий на втором, что позволит включить свет внизу и выключить наверху.

Особенно актуально применение проходных выключателей для управления освещением лестничных пролетов
Хорошим решением является установка одного переключателя у входа в спальню, а второго возле изголовья кровати, что позволит зайти, включить свет, приготовиться ко сну, лечь и выключить освещение. Также целесообразно монтировать выключатели при входе в дом или квартиру и в конце коридора.
Проходные выключатели обладают существенными преимуществами по сравнению с обычными устройствами:
- высокая надежность и безопасность эксплуатации;
- мгновенное отключение электроснабжения помещения при необходимости из любой точки;
- оптимальное расходование электроэнергии;
- низкая себестоимость;
- простая установка, не требующая привлечения специалистов;
- отсутствие сложных настроек.

Наличие проходных выключателей позволяет включить светильники внизу одним выключателем, а поднявшись по лестнице выключить другим
Критерии выбора
При выборе проходного выключателя нельзя ориентироваться только на цену
Важно понимать, где и как будет установлено устройство
Нижеперечисленные критерии позволят сориентироваться, на что в первую очередь следует обратить внимание при выборе. Учтите следующие критерии:
Учтите следующие критерии:
Производитель. На выбор покупателям доступен товар следующих разработчикам: Legrand, Lezard, Schneider Electric, Simon, Smartbuy, TDM, UNIVersal, Volsten WERKEL, СВЕТОЗАР, Arditi SPA, EKF, Electraline, GUSI Electric, IEK, Intro, Jung, LIREGUS, LK Studio, Nilson, Panasonic, Retrika, STEKKER, Кунцево-Электро, ЭРА.
Страна-производитель: Германия, Испания, Китай, Италия, Литва, Польша, Россия, Португалия, Турция, Франция. Импортные девайсы хотя и качественные, но можно найти не плохие по качеству отечественные аналоги (смотрите п.1).
Способы монтажа. Варианты — в кабель-канал, скрытая проводка, открытая прокладка.
Количество кнопок: одна или две.
Наличие индикатора — есть или нет.
Степень защиты — IP20, IP41, IP44, IP54, IP55, IP65. Возможны и другие варианты
Во влажных помещениях и на открытых площадках обращайте внимание на устройства с защитой IP55, IP
Цвета. На выбор доступны белый, бежевый, зеленый, золотистый, коричневый, красный, серый, серебристый, черный и синий и другие цвета
Подбирайте по дизайну комнаты, коридора и т.д.
Количество модулей — один или два.
Число постов — один или два.
С рамкой или без.
Комплектация. Проходной переключатель с накладкой или в сборе. Возможна модульная сборка.
Заземление — предусмотрено или нет.
Максимальный ток — от 2 до 100 А.
Серия — более 50 разных вариантов.
Материал — АБС-пластик, керамика, пластик, поликарбонат, термопласт, сталь, латунь и т. д.
Комплексный подход к выбору позволяет найти нужное устройство, избежать ошибок и не быть разочарованным в качестве.

Известные производители проходных переключателей
Компания Легранд занимает лидирующую позицию на рынке электротоваров. Востребованность проходных выключателей Legrand обусловлена высоким качеством исполнения изделий, простотой монтажа, удобствами в дальнейшей эксплуатации, стильным дизайном и гибкой ценовой политикой. Единственным недостатком является необходимость в подгонке установочного места. Если оно не будет совпадать с изделием, могут возникнуть трудности при его монтаже, который выполняется согласно схеме подключения проходного выключателя Легранд.

Проходные переключатели фирмы Legrand
Дочерним предприятием Легранд является китайская компания Lezard. Однако от родного бренда у изделий остался лишь стильный дизайн. Качество сборки намного ниже, что обусловлено низкой стоимостью продукции.
Одним из ведущих отечественных производителей электротоваров считается компания Wessen, которая является частью фирмы Schneider Electric. Все изделия изготавливаются по новейшим технологиям на современном зарубежном оборудовании и соответствуют европейским стандартам качества. Модели обладают универсальным стильным дизайном, позволяющим вписать каждый элемент в любой интерьер помещения. Отличительной чертой выключателей Wessen является возможность замены декоративной рамки без демонтажа устройства.
Еще одним не менее известным производителем является турецкая компания Viko. Изделия характеризуются высоким качеством исполнения, надежностью и долговечностью, соответствуют требованиям электробезопасности и европейским стандартам качества. При изготовлении корпуса устройства применяется пожаробезопасный прочный пластик, который рассчитан на большое количество циклов работы.

У проходного выключателя, в отличие от обычного, три проводимых провода
Турецкий бренд Makel предлагает качественную, надежную, безопасную и стильную продукцию. Благодаря возможности подключения шлейфа без надобности задействования распределительной коробки, монтаж выключателей становится более простым, а дальнейшая эксплуатация – комфортной и безопасной.
Популярный модельный ряд проходных переключателей
Проходные выключатели Легранд из серии Velena отличаются стильным дизайном и многообразием цветовых вариаций. Здесь представлены одно и двухклавишные изделия, которые имеют пыле- и влагозащитный слой. Купить выключатель можно от 300 р.
В серию Celiane вошли изделия, у которых круговые клавиши вписаны в квадрат. Они могут быть бесконтактными с рычажками или бесшумными. Стоимость переключателей начинается от 700 р. Модельный ряд Exclusive Celiane представлен ограниченным количеством выключателей, выполненных вручную из мрамора, бамбука, фарфора, золота, мирта и других материалов. Рамки выполняются исключительно на заказ. Цена за изделие начинается от 5,9 тыс. р.

Цветовые решения для переключателей из серии Celiane
Самыми популярными сериями выключателей от компании Lezard являются Demet, Mira и Deriy. Здесь представлены изделия, выполненные из негорючего поликарбоната, что соответствует требованиям электробезопасности. Токопроводящие элементы изготовлены из фосфорной бронзы, что характеризуется высокой проводимостью и низким подогревом. Купить проходной одноклавишный выключатель можно от 125 р.
В серии W 59 Frame от Wessen используется модульный принцип, позволяющий установить от 1 до 4 устройств в одну рамку горизонтально или вертикально. Цена изделия составляет 140 р. Отличаются простым дизайном, но высоким качеством исполнения одинарные и двойные проходные выключатели из серии Asfora, купить которые можно за 450 р.
Среди популярных серий компании Makel можно выделить Defne и Makel Mimoza. Корпус устройств выполняется из высококачественного пластика, оснащенный внутренним надежным механизмом. Стоимость изделий начинается от 150 р.

При нажатии кнопки вкл/выкл подвижный контакт проходного выключателя перекидывается из одного контакта на другой, создавая при этом условия для новой цепи в дальнейшем
Принцип работы и установка коммутирующих устройств не представляют существенных сложностей. Необходимо предварительно изучить схему подключения и следовать рекомендациям правил электробезопасности, что даст возможность осуществить надежный и безопасный монтаж устройств, тем самым обеспечит удобное и комфортное управление осветительными приборами в доме.
Как подключить проходной выключатель: видео схемы подключения
https://youtube.com/watch?v=9cG_VmdR4uk
Подключение выключателей/переключателей Legrand
Монтаж выключателей/переключателей Legrand выполняют, руководствуясь прилагаемой инструкцией. Кроме того схема подключения продублирована на тыльной стороне изделия.
Как подключить Legrand выключатель
У правильно подключенного выключателя Legrand (двух-или одноклавишного) клавиши во включенном состоянии занимают положение «вверх», а в выключенном – положение «вниз». Для этого фазные провода подключаются к входным клеммам, которые маркируются буквой L или стрелочками, указывающими путь к центру выключателя. При этом проводники, идущие к нагрузке (лампам освещения), соединяются с выходными клеммами, обозначенными стрелками, указывающими направление от центра выключателя.
Таким образом обеспечивается соединение выключателя с осветительными приборами по схеме «фаза -> выключатель -> нагрузка -> нуль», которая гарантирует, что нагрузка не окажется под напряжением после выключения.
Если же подключить фазный провод к выходным клеммам, а провода, идущие к нагрузке – ко входу выключателя, клавиша будет в перевернутом положении и возникнет опасность поражения пользователя электрическим током при замене лампочки, которая после выключения окажется под напряжением.
Подключают выключатель в следующем порядке:
- Обесточивают электросеть.
- При помощи плоской отвертки аккуратно демонтируют с выключателя клавиши и рамку.
- Зачищают электрические провода на длину, указанную на тыльной стороне выключателя.
- Подсоединяют электрические провода к соответствующим клеммам выключателя.
- Устанавливают выключатель в монтажную коробку.
- Возвращают на место рамку и клавиши.
Подключение выключателя Legrand с подсветкой и индикацией
Дополнительная лампа в выключателях используется для таких целей:
- Подсветка, где выполняет роль указателя, показывающего, в каком месте расположен выключатель. Светится она в тех случаях, когда выключатель выключен. Для подключения подсветки в выключателях Legrand (с одной или двумя клавишами) достаточно фазного провода.
- Индикация нагрузки в тех случаях, когда осветительные приборы расположены вне зоны видимости человека (сарай, кладовка и пр.). Если выключатель находится в нерабочем состоянии, лампа индикации не светится.
Источник
Подключение устройства на 2 группы светильников
Каждый питающий провод (фаза), выходящий из выключателя, подводит электроэнергию к своему светильнику. При монтаже одинарного проходного устройства делают прокладку 3-жильного кабеля к каждому осветительному прибору. Двухклавишный переключатель требует протягивания пяти проводников к первому устройству и шести — ко второму (разница из-за наличия одной общей фазы).
На деле управление освещением более чем из 2 – 3 мест встречается редко, а с описанными схемами сможет разобраться даже начинающий электрик. Сделав подключение, можно сэкономить значительные средства и обеспечить комфортное использование освещения в доме.






























